NVD2 ventil med ny patenterad flowsensing-teknik
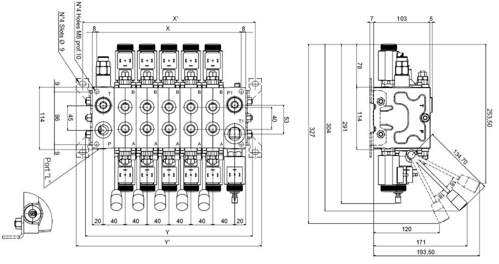
Patenterad flowsensing teknologi kombinerar opencenterventilens enkelhet och tillförlitlighet med den lastkännande ventilens styregenskaper och prestanda. Resultatet blir en energisnål ventil med goda samkörningsegenskaper som passar i applikationer upp till 40 lpm och 350 bar. Ventilen är sektionsbyggd och kan användas med upp till 8 st arbetssektioner.
I standbyläge fungerar den som en opencenterventil och tryckfallet blir på det sättet väsentligt lägre jämfört med motsvarande lastkännande ventil.
Som standard har ventilen ett inlopp för fasta pumpar men kan även användas tillsammans med variabla med hjälp av en modifierad inloppssektion.


